Motor managementlampje
Motor managementlampje
Hallo liefhebbers,
Ik heb het volgende euvel; als ik op de snelweg rijd, zeg ca 120 en ik lift het gas, hoor ik een relais klikken en verschijn kortstondig het motormanagement lampje. De auto functioneert normaal. Uitlezen via paperclip methode geeft codes 56 en 92.
Respectievelijk abnormale brandstof druk systeem en gasklep positiesensor.
Welke van de twee hoort bij de vermelde symptomen? Of zullen ze dat beide zijn? En heeft iemand een handigheidje om deze storingen te controleren?
Het gaat om een 2.4 gdi uit 1999
Alvast bedankt!
Ik heb het volgende euvel; als ik op de snelweg rijd, zeg ca 120 en ik lift het gas, hoor ik een relais klikken en verschijn kortstondig het motormanagement lampje. De auto functioneert normaal. Uitlezen via paperclip methode geeft codes 56 en 92.
Respectievelijk abnormale brandstof druk systeem en gasklep positiesensor.
Welke van de twee hoort bij de vermelde symptomen? Of zullen ze dat beide zijn? En heeft iemand een handigheidje om deze storingen te controleren?
Het gaat om een 2.4 gdi uit 1999
Alvast bedankt!
Re: Motor managementlampje
Bij GDI denk ik als eerste aan de gasklep. Ben echter geen GDI specialist.
Galant bijv.naamw. Uitspraak: [xaˈlɑnt] (van mannen) erg vriendelijk en beleefd tegen vrouwen. Voorbeeld: `Hij kuste haar galant de hand.`
Re: Motor managementlampje
gasklep niet vies ofzo vanbinnen waardoor de klep moeizaam gaat?
of de benzinedruk is misschien te laag/hoog, maar dat moet je dan meten
of de benzinedruk is misschien te laag/hoog, maar dat moet je dan meten
6G's never die, they just get older...
1992 Galuönt Cøldy Spec 2.0L automatic
1992 Galuönt Cøldy Spec 2.0L automatic
Re: Motor managementlampje
Klep reageert prima, ziet er ook schoon uit en plakt niet. Nu wat dagen verder en mij is opgevallen;
Code 56 (abnormale brandstofdruk) verschijnt op de snelweg; bij gas los en daarna weer rustig indrukken, een relais klikt als een gek en het lampje verschijnt, gas geven en het lampje is weer uit.
Code 92 heb ik waarschijnlijk zelf veroorzaakt; gasklep schoongemaakt en de tps is losgeweest. Ik vermoed dat ie niet helemaal goed is teruggeschroefd. Nu heb ik al verschillende methodes gevonden om hem af te stellen (weerstand meten op de stekker) maar ik krijg niet helemaal helder welke waardes op welke pinnen gemeten moeten worden, weet iemand dit toevallig? Ik lees meerdere verhalen; gewoon weerstand meten tussen pin 1 en 3 en 2 en 4, maar ik las ook ergens pin 19 van de obd icm een ground...
Code 56 (abnormale brandstofdruk) verschijnt op de snelweg; bij gas los en daarna weer rustig indrukken, een relais klikt als een gek en het lampje verschijnt, gas geven en het lampje is weer uit.
Code 92 heb ik waarschijnlijk zelf veroorzaakt; gasklep schoongemaakt en de tps is losgeweest. Ik vermoed dat ie niet helemaal goed is teruggeschroefd. Nu heb ik al verschillende methodes gevonden om hem af te stellen (weerstand meten op de stekker) maar ik krijg niet helemaal helder welke waardes op welke pinnen gemeten moeten worden, weet iemand dit toevallig? Ik lees meerdere verhalen; gewoon weerstand meten tussen pin 1 en 3 en 2 en 4, maar ik las ook ergens pin 19 van de obd icm een ground...
Re: Motor managementlampje
Nou, na veel zoeken heb ik met behulp van 3 websites de tps terug kunnen plaatsen, foutcode 92 is daarmee verholpen! Code 56 kon ik weinig mee, aangezien ik geen diagnosekast had die wilde communiceren, intussen heb ik een ander kastje gekocht en kon ik meten. Bij 2000 toeren zou de fuel pressure sensor gelijk of minder moeten zijn dan 6,9 MPa moeten zijn, bij mij is ie 7 of hoger. Nu zou ik de hoge druk benzine regelaar moeten vervangen en de hoge druk retourleiding. Nu wilde ik bij het goedkoopste beginnen, maar kan iemand mij vertellen welke leiding ik moet vervangen?
Re: Motor managementlampje
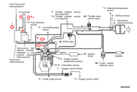
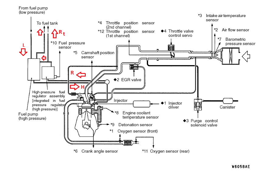
ehhhhh wat ik er van begreep , zie ook plaatjes (correcties welkom uiteraard..!)
benzine komt met lage druk binnen (L) (aansluiting 12, ..denk ik ...)
benzine wordt opgevoerd tot hoge druk (H) naar de brandstofrail
dan is er een hogedruk retourleiding naar de regelaar (R)
van de regelaar loopt er (lijkt zo??) een hogedruk leiding naar de hogedrukpomp (maar misschien intern doorverbonden, geen idee)
van de regelaar en de pomp lopen er leidingen terug naar de tank (Rt)
Dus uhmm... zou je zeggen dat ze dan de metalen R leiding bedoelen
benzine komt met lage druk binnen (L) (aansluiting 12, ..denk ik ...)
benzine wordt opgevoerd tot hoge druk (H) naar de brandstofrail
dan is er een hogedruk retourleiding naar de regelaar (R)
van de regelaar loopt er (lijkt zo??) een hogedruk leiding naar de hogedrukpomp (maar misschien intern doorverbonden, geen idee)
van de regelaar en de pomp lopen er leidingen terug naar de tank (Rt)
Dus uhmm... zou je zeggen dat ze dan de metalen R leiding bedoelen
6G's never die, they just get older...
1992 Galuönt Cøldy Spec 2.0L automatic
1992 Galuönt Cøldy Spec 2.0L automatic
Re: Motor managementlampje
ik zou beginnen met wat meer aannemelijk is ..
een leiding gaat zelde een klein beetje stuk ( of geheel stuk of geheel goed zegmaar)
een drukregelaar gaat vaker stuk
een leiding gaat zelde een klein beetje stuk ( of geheel stuk of geheel goed zegmaar)
een drukregelaar gaat vaker stuk
Awesomeness = Verveling x Talent
Re: Motor managementlampje
Heren bedankt! Ga inderdaad de drukregelaar ook maar vervangen, en meteen de leiding bekijken/doorblazen, toevallig iemand die er nog één (drukregelaar) heeft liggen?